CBSE Sample Question Paper (2025-26) CLASS X (Science 086)
Max. Marks: 80
Time Allowed: 3 hours
General Instructions:
- This question paper consists of 39 questions in 3 sections. Section A is Biology, Section B is Chemistry and Section C is Physics.
- All questions are compulsory. However, an internal choice is provided in some questions. A student is expected to attempt only one of these questions.
Section-A (Biology)
- Select the group in which all organisms have the same mode of nutrition.
- Cuscuta, yeast, legumes, leeches and tapeworm
- Cactus, ticks, lice, leeches and cow
- Cuscuta, ticks, lice, leeches and tapeworm
- Cactus, grass, lice, lion and tapeworm
- Which of the following options indicates the products formed after breakdown of the glucose in our muscle cells when there is lack of oxygen?
- Ethanol + carbon dioxide + Energy
- Lactic acid + Energy
- Lactic acid + carbon monoxide + Energy
- Carbon dioxide + Water + Energy
- Which of the following is a correct combination of function and part of the brain?
- Posture and balance: Cerebrum
- Salivation: Medulla in midbrain
- Hunger: Pons in hindbrain
- Blood pressure: Medulla in hindbrain
- The blood glucose level in a patient was very high. It may be due to inadequate secretion of:
- growth hormone from pituitary gland
- oestrogen from ovary
- insulin from pituitary gland
- insulin from pancreas
- In a cross between black furred rabbit (B) and white furred rabbit (b), all offspring were found to have black fur. What can be inferred about the genetic makeup of the parent rabbits?
- BB X bb
- Bb X Bb
- Bb X bb
- bb X bb
Which are the correct statements related to ozone?
- Ozone layer helps in increasing the UV radiations reaching earth.
- Ozone is a deadly poison.
- Ozone layer shields the earth from UV radiations.
- Ozone layer prevents UV rays which cause skin cancer.
- Ozone is formed with the help of Chlorofluorocarbons.
- (i), (ii), (iii)
- (ii), (iii), (iv)
- (iii), (iv), (v)
- (i), (iv), (v)
- Which of the following human activities has resulted in an increase of non-biodegradable substances?
- Organic farming
- Increase in tree plantation
- Use of plastic as packaging material
- Composting of kitchen waste
- This question consist of two statements – Assertion (A) and Reason (R). Answer these questions by selecting the appropriate option given below:
Assertion (A): Tallness of a pea plant is controlled by an enzyme.
Reason (R): The gene for that enzyme makes proteins which help the plant to be tall.- Both A and R are true, and R is the correct explanation of A.
- Both A and R are true, and R is not the correct explanation of A.
- A is true but R is false.
- A is false but R is true.
- This question consist of two statements – Assertion (A) and Reason (R). Answer these questions by selecting the appropriate option given below:
Assertion (A): Vulture will always have the least amount of pesticides in a food chain.
Reason (R): Vulture occupies the last trophic level and it gets only 10% of energy of the previous trophic level.- Both A and R are true, and R is the correct explanation of A.
- Both A and R are true, and R is not the correct explanation of A.
- A is true but R is false.
- A is false but R is true.
- Unlike animals, plants do not have any excretory products as they do not eat food. Comment upon the statement with justification.
- Explain the mechanism by which the water is transported in plants?
OR
How many chambers are there in the heart of the following organisms? How is mixing of oxygenated and deoxygenated blood prevented in their body?- Fishes
- Humans
- About 100 acres of forest land was declared as Natural reserve park. The following organisms were predominant in the Natural reserve park: rabbit, frog, grass, fish, fox, water insects, zebra, peacock, snake, trees, bird, owl, insects, tiger, vulture, duck.
Create a food web comprising two separate food chains with different producers by using the above data. - Draw and explain how the nerve cells help in transmission of impulses?
- In a genetic experiment, plants with pure round green seeds (RRyy) were crossed with plants with wrinkled yellow seeds (rrYY).
- Show the gametes formed when F1 was self-pollinated.
- A total of 144 seeds were produced which developed into saplings. Show the ratio in which these traits are independently inherited in these144 sapling.
- Neha consumed boiled sweet potatoes and boiled eggs for breakfast. Help her to understand some steps in the process of digestion of the food taken by her by answering the questions given below.
Which of these food items is rich in proteins? In which part of the alimentary canal is the digestion of this component initiated? Name the enzymes, conditions required and the glands associated with the digestion here.
OR
Which of these food items contains fats? How is it digested?
- Which of these food items is rich in starch? How is its digestion initiated?
The figure given below represents parts of the human alimentary canal. Which of these parts will have the maximum amount of digested food as soon as the process of digestion is completed?

Alternative Question for Visually Impaired
How will the digested food be taken up by the alimentary canal?
Answer part A or part B
- Puneet wanted to grow banana plants.
- Based on your knowledge on plant reproduction should he opt for seeds or any alternate method of reproduction. Justify your answer.
- Offsprings of a banana plant usually show very little variation. What causes variation and are variations good or bad? Justify.
OR
- Annie was conducting research on the number of fruits produced by watermelon under different conditions. She grew 25 watermelon plants each in both glass house A and B. She introduced pollinators in glass house A only.
- What difference will she observe in the number of fruits produced in the two glass houses? Explain with reason.
- List 3 changes that will occur in a flower once it gets fertilized.
- Puneet wanted to grow banana plants.
Section-B (Chemistry)
Which of the following equations represent redox reactions and what are the values for ‘p’ and ‘q’ in these equations?
Equation 1: Fe₂O₃(s) + 2Al(s) → Al₂O₃ (s) + p Fe(l) + heat
Equation 2: 2C₄H₁₀(g) + 13O₂(g) → 8CO₂(g)+ q H₂O(g)
- Only equation 1 is a redox reaction, p =1 and q=3
- Both equations 1 and 2 are redox reactions, p= 2 and q=4
- Only equation 2 is a redox reaction, p= 2 and q= 10
- Both equations 1 and 2 are redox reactions, p= 2 and q=10
Four statements about the reactions of oxides with dilute hydrochloric acid and aqueous sodium hydroxide are listed.
- Aluminium oxide reacts with both dilute hydrochloric acid and aqueous sodium hydroxide.
- Calcium oxide reacts with dilute hydrochloric acid and aqueous sodium hydroxide.
- Zinc oxide reacts with both dilute hydrochloric acid and aqueous sodium hydroxide.
- Sulphur dioxide does not react with either dilute hydrochloric acid or aqueous sodium hydroxide.
Which statements are correct?
- I and II
- I and III
- II and IV
- III and IV
- An iron nail is added to each of the two test tubes ‘P’ and ‘Q’ containing aqueous copper (II) sulphate, and aqueous silver nitrate respectively. Which of the following observation is correct?
- A. In test tube ‘P’ iron nail is coated with a blue coating and in test tube ‘Q’ there is no reaction.
- B. Iron nail is coated with a brown coating in test tube ‘P’ and silver coating in test tube ‘Q’.
- C. There is no reaction in either of the test tubes ‘P’ or ‘Q’.
- D. There is no reaction in test tube ‘P’ but a silver coating on iron nail is seen in test tube ‘Q’.
Methyl orange is added to dilute hydrochloric acid and to aqueous sodium hydroxide. What is the colour of the methyl orange in each solution?
Sample colour in dilute hydrochloric acid colour in aqueous sodium hydroxide A Orange Red B Red Yellow C Red Orange D Yellow Red - Which of the following substances when dissolved in equal volume of water, will have the highest pH value?
- Sulphuric acid
- Acetic acid
- Magnesium hydroxide
- Sodium hydroxide
- When excess of carbon dioxide is passed through lime water, the milkiness disappears because
- water soluble calcium carbonate converts to water soluble calcium bicarbonate.
- insoluble calcium carbonate converts to water soluble calcium bicarbonate.
- water soluble calcium carbonate converts to insoluble calcium bicarbonate.
- insoluble calcium carbonate converts to insoluble calcium bicarbonate.
- In the reaction of aqueous solution of barium chloride with aqueous solution of sodium sulphate, the aqueous solution formed will be:
- BaCl₂
- BaSO₄
- Na₂SO₄
- NaCl
- This question consists of two statements – Assertion (A) and Reason (R). Answer these questions by selecting the appropriate option given below:
Assertion (A): C₄H₈, C₄H₆ and C₄H₁₀ are members of the same homologous series
Reason (R): C₄H₈, C₄H₆, C₃H₄, C₃H₆, C₂H₄, C₂H₂ are unsaturated hydrocarbons.- Both A and R are true, and R is the correct explanation of A.
- Both A and R are true, and R is not the correct explanation of A.
- A is true but R is false.
- A is false but R is true.
The following activity is set-up in the science lab by the teacher. He clamped an aluminium wire on a stand and fixed a pin to the free end of the wire using wax. Then he heated the wire with a burner from the end where the wire is clamped. Students observed the pin fall off.

I) If the teacher replaces aluminium wire by silver wire, will the students’ observation change? Justify your answer.
II) Will the aluminium wire melt? Give reason for your answer.
Attempt either option A or B.
- An element ‘X’ is stored in kerosene, and cannot be extracted from its ore using a reducing agent. ‘X’ forms an ionic compound on reaction with chlorine.
- Can we store ‘X’ in water? Give reason to support your answer.
- Identify element ‘X’. Name the process used and write the equation for extraction of ‘X’ from its ore.
OR
- The domes of many building in Europe are made of copper. These domes now appear greenish in colour.
- Why do the domes appear greenish though copper is orange-red in colour?
- In your opinion, should the copper domes be replaced by iron domes to overcome the problem of change of colour of copper domes?
- Domes used to be made from thin sheets of metal. Why did the ancient architects use copper to make domes?
- An element ‘X’ is stored in kerosene, and cannot be extracted from its ore using a reducing agent. ‘X’ forms an ionic compound on reaction with chlorine.
Amrita electrolysed distilled water using the set-up shown in figure 1. She was expecting two gases to be evolved at the anode and cathode respectively

Suddenly, she realised that the bulb in the circuit did not glow when she used distilled water

After this realization, she added a substance to the distilled water for electrolysis to take place.
Answer the following questions based on the information given above:A. Which gas was she expecting to be formed at the anode and which one at the cathode respectively?
B. Why did the bulb not glow when Amrita passed electricity through distilled water?
C. Which substance was added by Amrita to distilled water to get the expected result?
Alternative Question for Visually Impaired
Identify the type of reaction:
A. ZnO + C → Zn + CO
B. ZnCO₃ heat → ZnO + CO₂
C. 2Mg + O₂ → 2 MgO + heat
Sara took 2 mL of dilute NaOH solution in a test tube and added two drops of phenolphthalein solution to it. The solution turned pink in colour. She added dilute H₂SO₄ to the above solution drop by drop until the solution in the test tube became colourless. 40 drops of dilute H₂SO₄ were used for the change in colour from pink to colourless. When Sara added a drop of NaOH to the solution, the colour changed to back to pink again.
Sara now tried the activity with different volumes of NaOH and recorded her observation in the table given below:S. No. Volume of dil. NaOH taken (mL) Drops of dil. H₂SO₄ used 1 2 20 2 3 30 3 4 40 Answer the following questions based on the above information:
If Sara used concentrated H₂SO₄ in place of dilute H₂SO₄, how many drops will be required for the change in colour to be observed?
- 40
- < 40
- >40
Justify your answer.
- Sara measured 20 drops of dil. H₂SO₄ and found its volume to be 1 mL. If Sara observed a change in colour of NaoH solution by using 3 mL of H₂SO₄, how many mL of NaOH did she add to the test tube initially?
OR
Sara takes 10 drops of dilute H₂SO₄ in the test tube and adds two drops of phenolphthalein solution to it. Then she adds NaOH dropwise. Sara observes a change in colour after adding 20 drops of NaOH. What change in colour would she observe and why? - Write a balanced chemical equation for the reaction taking place in the above experiment. Which of the following is true and why? The reaction is a
- neutralisation and double displacement reaction
- neutralisation and precipitation reaction
- precipitation and double displacement reaction
- neutralisation, double displacement as well as precipitation reaction.
Attempt either option A or B.
- A hydrocarbon with the formula CₓHᵧ undergoes complete combustion as shown in the following equation: 2CₓHᵧ + 9O₂ → 6CO₂ + 6H₂O.
- What are the values of ‘x’ and ‘y’?
- Give the chemical (IUPAC) name of the hydrocarbon.
- Draw its electron dot structure.
- Name the alcohol which on heating with conc. H₂SO₄ will produce the above hydrocarbon CₓHᵧ.
- Write a balanced chemical equation for the reaction of CₓHᵧ with hydrogen gas in presence of Nickel.
OR
The electronic structures of atoms P and Q are shown below

Based on the information given above, answer the following questions:
- If P and Q combine to form a compound, what type of bond is formed between them?
- Give the chemical formula of the compound formed.
- The compound so formed is dissolved in water. Is the resultant solution acidic or basic in nature? Justify your answer.
- Write the chemical equation for the reaction between ‘Q’ and ethanol.
- What will be the formula of the compound formed when ‘P’ undergoes bonding with carbon?
Alternative Question for Visually Impaired
A. A hydrocarbon with the formula CₓHᵧ undergoes complete combustion as shown in the following equation: 2CₓHᵧ + 9O₂ → 6CO₂ + 6H₂O.
- What are the values of ‘x’ and ‘y’?
- Give the chemical (IUPAC) name of the hydrocarbon.
- Is CₓHᵧ a saturated or an unsaturated hydrocarbon?
- Name the alcohol which on heating with conc. H₂SO₄ will produce the above hydrocarbon CₓHᵧ.
- Write a balanced chemical equation for the reaction of CₓHᵧ with hydrogen gas in presence of Nickel.
OR
B. Oxygen can combine with both metals and non-metals. It combines with Calcium to form CaO and with carbon to form CO₂.
- What type of bond is formed between carbon and oxygen?
- Identify the type of bond formed between Calcium and oxygen.
- Which of the above compounds will be a good conductor of electricity in molten state and why?
- Comment on the physical state (solid, liquid or gas) of CaO and CO₂.
- What is the valency of carbon in CO₂?
Section-C (Physics)
Arnav was making notes and he wrote down the following statements from his understanding of reflection from curved surfaces.
- Concave mirrors can produce both real and virtual images depending on the position of the object.
- Convex mirrors always produce real, inverted images regardless of the object’s position.
- In both concave and convex mirrors, the image location can be determined using the mirror formula 1/f = 1/v + 1/u where f is the focal length, v is the image distance, and u is the object distance.
Choose from the following the correct option that lists the correct statements about reflection from curved surfaces.
- I and II
- I, II and III
- II and III
- I and III
- Choose the correct option from the below which explains the reason for us to perceive the day sky as blue.
- As sunlight passes through the atmosphere, shorter wavelengths, such as blue are scattered more than other colors.
- The sky appears blue because all colors are scattered equally, but blue light is stronger and more visible to the human eye.
- The blue color of the sky is due to longer wavelengths like red and orange scattering more than shorter wavelengths, making blue stand out more.
- The atmosphere contains blue-colored particles that give the sky its blue appearance.
- This question consists of two statements – Assertion (A) and Reason (R). Answer these questions by selecting the appropriate option given below:
Assertion (A): A point object is placed at a distance of 26 cm from a convex mirror of focal length 26 cm. The image will not form at infinity.
Reason (R): For above given system the equation 1/f = 1/v + 1/u gives v = ∞.- Both A and R are true, and R is the correct explanation of A.
- Both A and R are true, and R is not the correct explanation of A.
- A is true but R is false.
- A is false but R is true.

The above image shows the formation of an image with an optical instrument.
- Identify the optical instrument (shown schematically as a rectangle) in the image.
- What type of image is formed in this case?
- Based on the measurements given in the image, calculate the focal length of the instrument.
Alternative question for visually impaired students
- Under what conditions can a convex lens form a virtual image?
- Why does a piece of paper catch fire if we allow sunlight to pass through a convex lens onto the paper?
Attempt either option A or B.

Find out the following in the electric circuit given in the figure-
- Effective resistance of two 8 ohm resistors in the combination.
- Current flowing through the 4-ohm resistor
OR

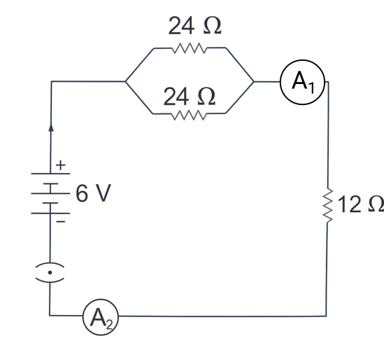
Study the circuit and find out-
- Current in 12 ohm resistor
- Difference in the readings of ammeter A1 and A2 if any
Alternative question for visually impaired students
- You are given four resistors each having resistance of R ohm. Find the maximum and minimum resistance that can be made with these four resistors.
OR
- A copper wire has a length L=2 m, a cross-sectional area A=0.5 mm2, and resistivity ρ=1.7×10−8 Ω-m. Calculate the resistance of another wire made of the same material whose length is twice the length of the wire but has the same cross-sectional area.

The above image shows a corrective measure for a particular defect of vision.
- Identify the defect of vision and state what kind of lens is used to correct this deficiency.
- Draw and label a ray diagram that shows the defect of vision in the above case before correction.
Alternative question for visually impaired students
- What is dispersion of light?
- Explain the condition under which dispersion happens?
- Give one reason that causes presbyopia.
- A student needs to make a 0.12 Ω resistor. She has some copper wire of 0.80 mm diameter. Resistivity of copper is 1.8 × 10–8 Ωm
- Determine the cross-sectional area of the wire.
- Calculate the length of wire required for the 0.12 Ω resistor.
Magnetic field lines are shown in the given diagram. A student makes a statement that the magnetic field at X is stronger than at Y.

- Explain with reason if the student’s claim is correct.
- Also redraw the diagram and mark the direction of magnetic field lines.

The above image is that of a Digital Single-Lens Reflex (DSLR) Camera which are used to take high resolution photographs by professional photographers. The second image of the above two is a schematic diagram of how an image is formed on the sensor of the camera. Based on your understanding of the lenses, answer the following questions.
- What type of lens is used in the DSLR camera shown in the image?
- What type of image is formed on the sensor?
- A photographer is using a DSLR camera with a lens of focal length f=50 mm to take a close-up photograph of a small object. The lens projects an image onto the camera sensor that is located 60 mm behind the lens. Calculate the object distance (i.e., the distance between the object and the lens).
OR
A photographer is using a DSLR camera to take a picture of a flower. The flower is positioned 150 mm away from the camera lens. The actual height of the flower is 80 mm, and the image height formed on the camera’s sensor is measured to be 20 mm. Calculate the focal length of the camera lens.
Alternative Question for visually impaired students
Zarina worked as an apprentice in a factory where flashlights and solar cookers are made. She learnt to make the circuits, the design of the light-box and light concentrators of the solar cookers as well. She learnt the uses of lenses in making all those tools. Based on your understanding of lenses, answer the following questions.
- What kind of lenses are used in the flashlight and light concentrator of the solar-cooker?
- Give reasons for your choices in your answer for part A.
- An object is placed 40 cm away from a lens which is normally used in a solar-cooker. The image formed is twice the size of the object. Calculate the focal length of the lens.
OR
An object is placed 20 cm in front of a lens which is used in a flashlight, and the image is formed 10 cm away from the lens on the same side as the object. Calculate the focal length of the lens.
Attempt either option A or B.

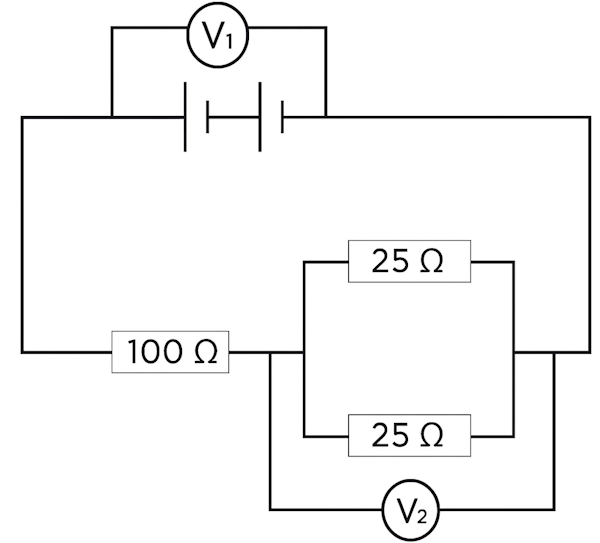
The arrangement of resistors shown in the above figure is connected to a battery.; The power dissipation in the 100 Ω resistor is 81 W. Calculate
- the current in the circuit
- the reading in the voltmeter V2
- the reading in the voltmeter V1
OR

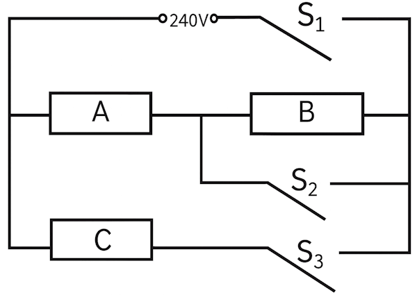
An electric heater consists of three similar heating elements A, B and C, connected as shown in the figure above. Each heating element is rated as 1.2 kW, 240 V and has constant resistance. S1, S2 and S3 are respective switches. The circuit is connected to a 240 V supply.
- Calculate the resistance of one heating element.
- Calculate the current in each resistor when only S1 and S3 are closed.
- Calculate the power dissipated across A when S1, S2 and S3 are closed.
Alternative Question for visually impaired students.
-
- Explain why in household circuits only the fuse is connected in series with all the rest of the appliances but all appliances are connected in parallel to each other.
- In a household circuit, an electric heater of power 1500 Wand a fan of power 500 W are connected in parallel to a 220 V supply. A fuse rated for 10 A is connected to the circuit to protect it from excessive current. (a) Calculate the total current drawn by the heater and the fan. (b) Determine whether the 10 A fuse is appropriate for this circuit or if it will blow.
OR
- Two resistors, R1=6 Ω and R2=12 Ω, are connected in parallel to a 24V battery. The circuit operates for 5 minutes.
- Calculate the total heat generated in both resistors.
- If each resistor has a power rating of 100 W, determine whether it is safe to use these resistors in the circuit.
- A hydrocarbon with the formula CₓHᵧ undergoes complete combustion as shown in the following equation: 2CₓHᵧ + 9O₂ → 6CO₂ + 6H₂O.